Вентилятори пилові ВЦП 5-45 (ВРП)
Амортизатор гумово-металевий 20-10 тип 1101 грн./шт.
Побутовий вентилятор Домовент 125 ВКО528 грн./шт.
Амортизатор гумово-металевий 30-40 тип 1259 грн./шт.Пилові вентилятори ВЦП 5-45 (ВРП) та їхні особливості
У промислових витяжних системах різного призначення встановлюється вентилятор ВЦП 5-45. Це відцентровий радіальний пристрій, який є основним функціональним елементом повітропровідних систем.
Принцип дії пилового вентилятора
Агрегат призначений для переміщення та виведення з приміщення різних типів газоповітряних сумішей, зокрема тих, що містять:
- пил;
- дрібні частинки цементу;
- металеву або дерев’яну стружку та інші відходи виробництва;
- пил від натуральних тканин та інших матеріалів;
- тирсу.
Допустима концентрація видаляних речовин не повинна перевищувати 1 кг/м³.

Пилові вентилятори ВЦП 5-45 (ВРП) оснащені електродвигунами, які передають механічну енергію до робочого колеса. Останнє під час обертання всмоктує повітря через вхідний отвір. Під дією відцентрової сили лопатки викидають повітряні маси до вихідної частини спірального корпусу.

Де використовуються вентилятори ВЦП 5-45
Пристрої такого типу встановлюються в наступних системах:
- вентиляції та кондиціонування;
- охолодження;
- сушіння, повітряного опалення;
- пилоочисних установок;
- пневматичного транспорту.
Обладнання встановлюють у виробничих приміщеннях, на елеваторах, у цехах, торгових центрах, магазинах та на інших об’єктах.
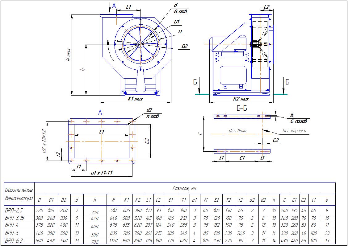
Технічні характеристики ВЦП 5-45
Ці пристрої в асортименті представлені в інтернет-магазині «Провент». Перш ніж купити пилові вентилятори ВЦП 5-45, слід розібратися в їхніх особливостях, щоб правильно підібрати.
Детальніше про характеристики на прикладі кількох моделей:
|
Модель |
Напруга |
Тиск, Па |
Потужність |
Діаметр повітропроводу, мм |
|
ВЦП 5-45 (ВРП) №3 |
380 В |
600–1260 |
0,75 |
315 |
|
ВЦП 5-45 (ВРП) №3,15 |
380 В |
1150–1150 |
1,5 |
315 |
|
ВЦП 5-45 (ВРП) №3,15 (2,2/3000) |
380 В |
1070–1070 |
2,2 |
315 |
|
ВЦП 5-45 (ВРП) №3,15 (3/3000) |
380 В |
1036–1485 |
3 |
315 |
Конструктивні особливості ВЦП (ВРП) 5-45
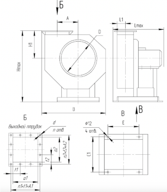
Основним вузлом вентилятора є робоче зварне колесо зі ступицею та радіальними лопатками. Корпус відводить від нього повітря і частково перетворює динамічний тиск потоку в статичний.
У конструкції також присутня зварна станина, на яку кріпиться вал із двома підшипниками та шківи з захистом. На її основі виконані отвори, за допомогою яких агрегат фіксується до фундаменту.

Габарити та схеми креслень
Розглянемо пилові вентилятори ВЦП 5-45 (ВРП) на прикладі моделі №5 (2,2/1500), исп. №1.

Переваги використання равликів ВРП 5-45
Ці вентиляційні установки мають такі переваги:
- Агрегати вирізняються надійною конструкцією та високою продуктивністю, виготовлені з якісних матеріалів.
- Вузли оброблені порошковою фарбою для захисту від корозії.
- Кожна модель комплектується електродвигуном із великим експлуатаційним ресурсом.
Дізнатися більше та підібрати вентиляційне та інше обладнання можна, проконсультувавшись із фахівцями компанії «Провент».










































































































































































































































