Однорядний ланцюг
Амортизатор гумово-металевий 15-15 тип 289 грн./шт.
Амортизатор гумово-металевий 25-20 тип 2140 грн./шт.
З'єднувач для круглих каналів ВЕНТС d150 313158 грн./шт.Однорядний ланцюг: характеристики, застосування, типи
Поширений елемент різних робочих механізмів приводний роликовий однорядний ланцюг. Він відрізняється високою міцністю та надійністю, універсальний та простий в експлуатації.
Придбати цей елемент в асортименті зручно в інтернет-магазині «Провент». За допомогою сортування в каталозі не важко підібрати модель відповідного діаметра ролика або валу з потрібним кроком.

Основні характеристики
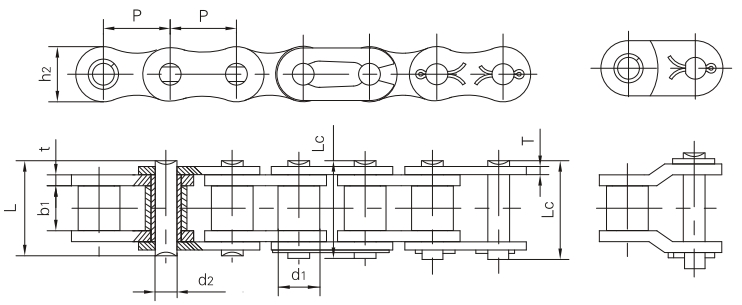
Конструкція виробу дуже проста. Основу однорядного роликового ланцюга складають пластини. Зовнішні з запресованим валиком, вони скріплені за допомогою пінів. Внутрішні елементи виконані із запресованою, посадженою на валик втулкою.

Обертальний рух передається за допомогою ролика шляхом тертя кочення. Серед переваг однорядного ланцюга варто зазначити:
- високий ККД та робочий ресурс;
- невелика вага;
- високе значення граничної швидкості;
- робота з мінімальними втратами енергії.
Декілька деталей конструкції з'єднуються між собою за допомогою осей. На кожній із них знаходиться пластина з отворами. Втулка знаходиться між зовнішніми та внутрішніми елементами.
Сфери застосування
Однорідні приводні роликові ланцюги встановлюються у такому устаткуванні:
- сільськогосподарська спецтехніка;
- конвеєри;
- бурові установки;
- промислові верстати.
Універсальність виробу пов'язана з конструкцією. Ролики уповільнюють тертя ковзання, в результаті зірочки виходять з ладу не так швидко і витрачається мало енергії. У процесі роботи постійно зберігається високий ККД, механізми функціонують довше.
Які є різновиди
Однорядний ланцюг виконаний із міцної сталі. У нашому інтернет-магазині ви можете вибрати також посилені варіанти зі шплінтом або виконані відповідно до європейських стандартів.
Провент також пропонує купити ланки для з'єднання відрізків ланцюга. Замовити продукцію на нашому сайті зручно з доставкою по Україні.





























































































































































































































































