Цепь однорядная
Дверца ревизионная Домовент Л 200*300223 грн./шт.
Держатель ВЕНТС 55*11055 грн./шт.
Тройник ВЕНТС 125 Пластивент 232317 грн./шт.Однорядная цепь: характеристики, применение, типы
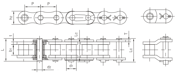
Распространенный элемент различных рабочих механизмов ー приводная роликовая однорядная цепь. Она отличается высокой прочностью и надежностью, универсальна и проста в эксплуатации.
Приобрести этот элемент в ассортименте удобно в интернет-магазине «Провент». С помощью сортировки в каталоге не составит труда подобрать модель подходящего диаметра ролика или вала с нужным шагом.

Основные характеристики
Конструкция изделия очень проста. Основу однорядной роликовой цепи составляют пластины. Внешние ー с запрессованным валиком, они скреплены с помощью пинов. Внутренние элементы выполнены с запресованной, посаженной на валик втулкой.

Вращательное движение передается с помощью ролика путем трения качения. Среди преимуществ однорядной цепи стоит отметить:
- высокий КПД и рабочий ресурс;
- небольшой вес;
- высокое значение граничной скорости;
- работа с минимальными потерями энергии.
Несколько деталей конструкции соединяются между собой с помощью осей. На каждой из них находится пластина с отверстиями. Втулка находится между наружными и внутренними элементами.

Сферы применения
Однородные приводные роликовые цепи устанавливаются в таком оборудовании:
- сельскохозяйственная спецтехника;
- конвейеры;
- буровые установки;
- промышленные станки.
Универсальность изделия связана с его конструкцией. Ролики замедляют трение скольжения, в итоге звездочки выходят из строя не так быстро и тратится мало энергии. В процессе работы постоянно сохраняется высокий КПД, сами механизмы функционируют дольше.
Какие есть разновидности
Однорядная цепь выполнена из прочной стали. В нашем интернет-магазине вы можете выбрать также усиленные варианты, со шплинтом или выполненные согласно европейским стандартам.
«Провент» также предлагает купить звенья для соединения отрезков цепи. Заказать продукцию на нашем сайте удобно с доставкой по Украине.
Купить цепи приводные 1 со склада в Киеве. ▷ Гарантия, лучшие цены! ◁ Доставка по всей Украине: Харьков, Днепр, Одесса, Запорожье, Львов.





























































































































































































































































