Коллектор Вентс ФлексиВент 1002125/75х6
Бренд:
VentsОписание
Металлические коллекторы созданы для оптимальной эффективности в процессе распределения воздуха, обеспечивая высокую прочность и устойчивость к коррозии, что делает их идеальным выбором для различных вариантов монтажа и интеграции с воздуховодов системы Flexivent.
- Корпус коллекторов изготовлен из высококачественной, прочной и долговечной стали с покрытием алюминированным цинком (Алюцинк), что обеспечивает эффективную защиту от коррозии и стабильную работу системы на протяжении многих лет.
- Воздухораспределительные коробки изнутри облицованы шумоизоляционным слоем в 20 мм, что минимизирует шум в месте размещения.
- Неиспользуемые вентиляционные отверстия металлического коллектора могут быть закрыты заглушками Flexivent 030990.
- Совместимые с круглыми (75 и 90 мм) и овальными (52 мм) системами.
- Фланец основного воздуховода уплотнен резиновой прокладкой.
Характеристики
Коллектор Вентс ФлексиВент 1002125/75х6 отзывы

Аэродинамическая хар-ка
Аэродинамические характеристики Коллектор металический Вентс ФлексиВент 1002125/75х6

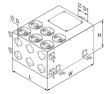
Чертеж
Габаритные размеры Коллектор металический Вентс ФлексиВент 1002125/75х6

Модель |
Размеры, мм | ||||
| øD | øD1 | H | L | W | |
| Коллектор металический Вентс ФлексиВент 1002125/75х6 | 67 | 124 | 202 | 300 | 400 |
Схожие товары
Офис и склад в центреМожно сразу оплатить и посмотреть товар в одном месте
Мы профессионалы8 лет опыта позволяют удовлетворить любые потребности покупателя
Гарантия и качествоГарантированный возврат товара в течении 14 дней
On-line оплата на сайтеОплата производится банковскими картамиПопулярные товары
Муфта для соединения фасонных элементов ВЕНТС 10089 грн./шт.
Хомут ВЕНТС Х 10054 грн./шт.
Соединитель с обратным клапаном для круглых каналов ВЕНТС d 100 111195 грн./шт.Помощь
+38 044 545-77-31
Отдел продаж
+38 095 402-26-44
Если у вас возникли вопросы при оформлении заказа, обратитесь по указанным контактам.

































































































































































































