Насос центробежный DONGYIN 6SP30-6
Бренд:
DONGYINОписание
Насос центробежный 380В 5.5кВт (из 3х частей) DONGYIN 6SP30-6 (7777233)
Область применения:
Насосы данной серии предназначены для перекачивания чистой воды и могут применяться: для бытового и промышленного использования при водоснабжении из скважин и резервуаров (обязательна установка кожуха охлаждения), для перекачивания воды в резервуары, для оросительных систем, для автоматической подачи воды совместно с резервуарами при использовании управляющей автоматики (управляющие реле, контроллеры давления).
Насосная часть:
- Корпус насосной части: нержавеющая сталь AISI 304
- Выходной фланец: нержавеющая сталь AISI 304
- Вал насосной части: нержавеющая сталь AISI 304
- Муфта вала: нержавеющая сталь AISI 304
- Рабочее колесо: нержавеющая сталь AISI 304
- Диффузор: нержавеющая сталь AISI 304
Электродвигатель:
- Тип двигателя: маслонаполненный
- Обмотки статора: медь
- Корпус электродвигателя: нержавеющая сталь AISI 304
- Вал двигателя: нержавеющая сталь AISI 304
- Подшипник: качения (C&U)
- Напряжение: 3 ~ 380 В
- Частота: 50 Гц
- Класс изоляции: F
- Класс защиты: IP68
- Длина кабеля: см. таблицу "Габаритные размеры"
Условия применения:
- Максимальная температура перекачиваемой жидкости: +50 °С
- Глубина погружения под зеркало воды: до 80 м
- Диаметр скважины: от 250 до 350 мм
- Содержание примесей, содержащих абразив во взвешенном состоянии (песка, глины, извести и т.д.): не более 0.25%
- Водородный показатель воды (рН): 6.5 - 8.5
- Общая минерализация воды: не более 1500 г/м³
- Срок гарантийного обслуживания: 24 месяца
Особенности:
- Погружные маслонаполненные, перематываемые двигатели (масло не токсично)
- Тип кабеля - плоский, трехжильный (для однофазных), четырехжильный (для трехфазных)
- Количество пусков - 20 пусков в час с равными интервалами
- Режим работы - непрерывный (классификация режима - S1)
- Поток охлаждающей жидкости вдоль стенок электродвигателя не менее 8 см/сек
- Стандарт фланцевого подключения электродвигателя 6SР - NEMA
- В комплектацию входит комплект для удлинения кабеля
Характеристики
Бренд | DONGYIN |
vendorCode | 7777233 |
Тип насоса | скважинный |
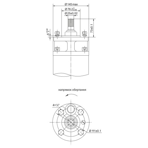
Диаметр насоса | 145 мм |
Мощность | 5500 Вт |
Перекачиваемая среда | абразивные гидросмеси, вода |
Максимальный расход | 700 л/мин |
Максимальная глубина погружения | 80 м |
Максимальный напор | 68 м |
Монтаж | вертикальное |
Минимальный диаметр скважины | 250 мм |
Максимальный диаметр скважины | 350 мм |
Тип соединения | фланцевое |
Диаметр патрубка (дюймы) | 4 |
Регулировка скорости | без регулировки |
Температура перекачиваемой жидкости | 50 — 50 °C |
Материал корпуса | нержавеющая сталь |
Материал рабочего колеса | нержавеющая сталь (AISI 304) |
Страна-производитель | Китай |
Гарантия (мес.) | 24 |
Электродвигатель | |
Тип электродвигателя | маслонаполненный |
Тип подшипника | качения |
Напряжение | 380 B |
Частота тока | 50 Гц |
Класс изоляции | F |
Класс защиты | IPX68 |
Материал вала электродвигателя | нержавеющая сталь (AISI 304) |
Материал корпуса электродвигателя | нержавеющая сталь (AISI 304) |
Материал обмотки статора | медь |
Насос центробежный DONGYIN 6SP30-6 отзывы

Офис и склад в центреМожно сразу оплатить и посмотреть товар в одном месте
Мы профессионалы8 лет опыта позволяют удовлетворить любые потребности покупателя
Гарантия и качествоГарантированный возврат товара в течении 14 дней
On-line оплата на сайтеОплата производится банковскими картамиПопулярные товары
Соединение цанговое SIGMA I 10x8мм9 грн./шт.
Решетка прямоугольная Домовент ДВ 350 коричнева116 грн./шт.
Соединение цанговое SIGMA I 12x8мм12 грн./шт.Помощь
+38 044 545-77-31
Отдел продаж
+38 095 402-26-44
Если у вас возникли вопросы при оформлении заказа, обратитесь по указанным контактам.

































































































































































































