Крестовина ВЕНТС 125
Бренд:
VentsОписание
Крестовина применяется в системах вентиляции помещения разнообразной направленности, помогая соединению выходных патрубков с другими вентиляционными каналами, для разветвления в четыре стороны. Данная функция способствует формированию сложных систем вентиляции спирально-навивной формы, или любых других металлических конструкций. Крестовина обладает специальными ограничителями, котррые в значительной мере упрощают монтаж каналов систем вентиляции.
Преимущества
- Крестовину изготавливают из оцинкованной стали, которая совершенно не восприимчива к коррозийным образованиям;
- Ограничители помогают состыковке тройника к вентиляционному каналу;
- Повышенный уровень прочности гарантирует продуктивную работу на протяжении длительного времени.
Характеристики
Габариты упаковки | |
Бренд | Vents |
Тип | крестовина |
Диаметр (мм) | 125 мм |
Подходит | Для круглых каналов |
Толщина стали | 0.5 мм |
Материал корпуса | оцинкованная сталь |
Страна-производитель | Украина |
Крестовина ВЕНТС 125 отзывы

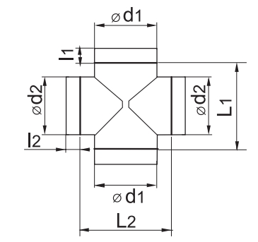
Чертеж
Габаритные размеры Крестовина ВЕНТС 125

Модель |
Размеры, мм | ||||||
| d1 | d2 | l1 | l2 | L1 | L2 | p | |
| Крестовина ВЕНТС 125 | 125 | 125 | 50 | 50 | 166 | 166 | 0,5 |
Покупатели, которые приобрели Крестовина ВЕНТС 125, также купили
Схожие товары
Офис и склад в центреМожно сразу оплатить и посмотреть товар в одном месте
Мы профессионалы8 лет опыта позволяют удовлетворить любые потребности покупателя
Гарантия и качествоГарантированный возврат товара в течении 14 дней
On-line оплата на сайтеОплата производится банковскими картамиПопулярные товары
Бытовой вентилятор Домовент 150 ВКО770 грн./шт.
Соединение цанговое SIGMA I 10x8мм9 грн./шт.
Амортизатор резино-металлический А 40-40238 грн./шт.Помощь
+38 044 545-77-31
Отдел продаж
+38 095 402-26-44
Если у вас возникли вопросы при оформлении заказа, обратитесь по указанным контактам.






























































































































































































































