Шкив зубчатый T2,5/38.2-16
Бренд:
SATIОписание
Зубчатые шкивы Т2.5 применяется с ремнями профилей Т2.5 из полиуретана (в большинстве случаев).
Направляющая обода:
- до 44 зуба с ободками
- от 48 зубов без ободков
Зубчатые шкивы отличаются по способу монтажа, поставляются двух основных типов:
- под расточку посадку
- под коническую втулку
Отличие заключается в том, что в первом случае заказчик получает шкив с предварительно подготовленным отверстием небольшого диаметра и растачивает его до необходимого ему посадочного диаметра. Во втором случае, заказчик получает шкив с отверстием под коническую втулку. Коническая втулка приобретается дополнительно и выбирается конкретно под ваш посадочный диаметр.
Характеристики
Габариты упаковки | |
Бренд | SATI |
Диаметр (мм) | 38.2 мм |
Тип шкива | зубчатый |
Количество ручьев | 1 |
Количество зубьев | 48 шт. |
Профиль ремня | T2,5 |
Ширина ремня | 6 мм |
Ширина шкива | 16 мм |
Исполнение шкива | под расточку |
Материал | алюминий |
Страна-производитель | Италия |
Масса | 0.048 кг |
Шкив зубчатый T2,5/38.2-16 отзывы

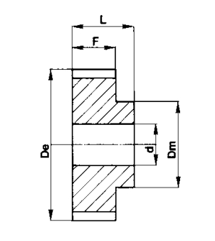
Чертеж
Габаритные размеры Шкив зубчатый T2,5-16

Модель |
Размеры, мм | ||||||
| Dp | De | Df | Dm | F | L | d | |
| Шкив зубчатый T2,5-16 | 38,2 | 37,7 | - | 26 | 10 | 16 | - |
Схожие товары
Офис и склад в центреМожно сразу оплатить и посмотреть товар в одном месте
Мы профессионалы8 лет опыта позволяют удовлетворить любые потребности покупателя
Гарантия и качествоГарантированный возврат товара в течении 14 дней
On-line оплата на сайтеОплата производится банковскими картамиПопулярные товары
Соединение быстросъемное SIGMA 8мм124 грн./шт.
Решетка AirRoxy AOzS 70 White63 грн./шт.
Амортизатор резино-металлический 30-40 тип 1259 грн./шт.Помощь
+38 044 545-77-31
Отдел продаж
+38 095 402-26-44
Если у вас возникли вопросы при оформлении заказа, обратитесь по указанным контактам.































































































































































































