Вентилятор ВЦ 4-75 №10 (5,5/750), исп. №1
Описание
Вентиляторы типа ВЦ 4-75 №10 (5,5/750) предназначены для перемещения воздуха и других неагрессивных газо-воздушных смесей при температуре не выше 80°С, не вызывающих ускоренной коррозии материалов проточной части вентилятора, не содержащих ржавчины, липких и волокнистых веществ с запыленностью воздуха не более 0,1 г\м3.
Вентиляторы, изготовленные из алюминиевых сплавов, применяются для вытяжки в помещениях содержащих газо и паровоздушные взрывоопасные или ускоряющие коррозию воздушные смеси.
Общая информация о вентиляторе ВЦ 4-75 №10 (5,5/750):
- Радиальный
- Низкого давления
- Одностороннее всасывание
- Спиральный поворотный корпус
- Количество лопаток - 12 шт
- Лопатки загнутые назад
- Направление вращения - правое или левое
- Вариация размеров от №2,5 до №20
Технические характеристики вентиляторов ВЦ 4-75 №10 (5,5/750)
| Типоразмер вентилятора |
D/Dн | Электродвигатель | Параметры в рабочей зоне | Масса вентилятора, не более |
|||
| Типоразмер | Частота | Мощность | Производительность | Полное давление | |||
| об/мин | кВт | м3/час | Па | кг | |||
| № 10 | Уменьшенный диаметр рабочего колеса | ||||||
| 0,95 | АИР 132 М8 | 750 | 5,5 | 12,9 - 27,5 | 790 - 410 | 425 | |
| АИР 160 S8 | 7,5 | 12,9 - 27,5 | 410 - 790 | 470 | |||
| АИР 160 S6 | 1000 | 11 | 17,4 - 36,3 | 730 - 790 | 470 | ||
| АИР 160 М6 | 15 | 17,4 - 36,3 | 730 - 1380 | 470 | |||
| Номинальный диаметр рабочего колеса | |||||||
| 1,0 | АИР 160 S8 | 750 | 7,5 | 18,3 - 35 | 440 - 860 | 470 | |
| АИР 160 М8 | 11 | 18,5 - 35,6 | 440 - 860 | 470 | |||
| АИР 160 М6 | 1000 | 15 | 22,3 - 32,1 | 1350 - 1480 | 470 | ||
| АИР 180 М6 | 18,5 | 2405 - 4608 | 780 - 1525 | 570 | |||
| АИР 200 L6 | 30 | 24,5 - 47,0 | 790 - 1545 | 670 | |||
| АИР 200 М6 | 22 | 24,5 - 47,0 | 785 - 1540 | 670 | |||
| Увеличенный диаметр рабочего колеса | |||||||
| 1,05 | АИР 160 М8 | 750 | 11 | 17,8 - 37,2 | 500 - 970 | 470 | |
| АИР 180 М8 | 15 | 17,8 - 37,2 | 500 - 970 | 570 | |||
| АИР 180 М6 | 1000 | 18,5 | 23,5 - 42,0 | 980 - 1680 | 570 | ||
| 1,1 | АИР 200 М6 | 22 | 23,5 - 42,0 | 980 - 1680 | 670 | ||
| АИР 180 М8 | 750 | 15 | 16,2 - 36,0 | 550 - 1250 | 570 | ||
Положение корпуса вентилятора
Вид со стороны всасывания

Вентиляторы ВЦ 4-75 №10 (5,5/750) изготавливаются в соответствии с ТУ У 29.2-00909779-002-2009:
- из углеродистой стали
- из нержавеющей стали
- из разнородных металлов
- из алюминиевых сплавов
Вентиляторы ВЦ 4-75 №10 (5,5/750) применяются:
- в системах кондиционирования воздуха
- в системах вентиляции
- в системах воздушного отопления
- для других санитарно-производственных целей
Допустимая вибрация вентилятора - до 5 мм/с
Комплектация и принцип работы центробежного вентилятора ВЦ 4-75 №10 (5,5/750)
Вентилятор ВЦ 4-75 №10 (5,5/750) состоит из таких основных узлов:
- спиральный корпус
- рабочее колесо
- станина
- коллектор
- электродвигатель.
Рабочее колесо состоит из переднего и заднего дисков, 12 листовых лопаток и ступицы.
Станина вентилятора – сварная. Основание имеет отверстие для установки на виброизоляторы или фундамент. На станине крепятся электродвигатель и кожух.
Коллектор конической формы для подвода воздуха к рабочему колесу закреплен на входном патрубке. Перекрытие между коллектором и передним диском рабочего колеса регулируется осевым перемещением коллектора во входном патрубке.
Воздух путем передачи ему энергии лопаток рабочего колеса поступает в вентилятор под воздействием центробежной силы под углом 90 градусов и поступает в радиальном направлении в улитку спирального корпуса; в улитке, перемещаясь по спирально-образному корпусу, под давлением, направляется через выхлоп вентилятора.
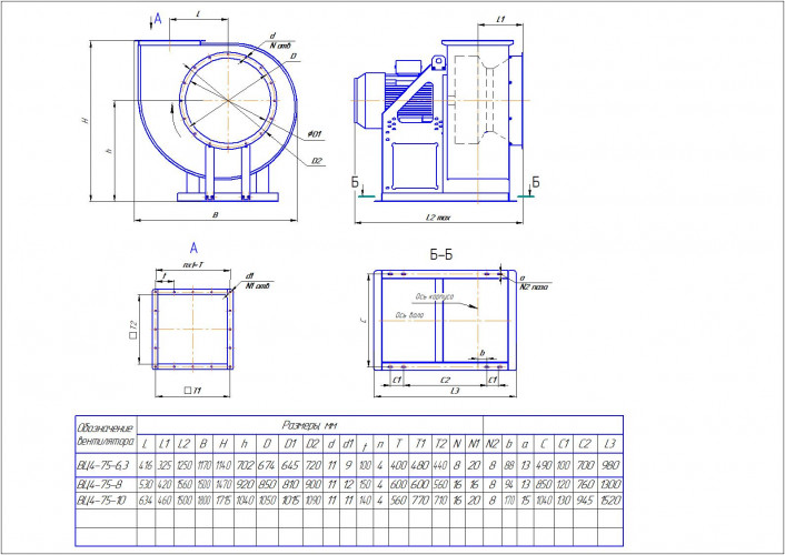
Габаритные и присоединительные размеры вентилятора ВЦ 4-75 №10 (5,5/750)


Условные обозначения
- D - диаметр рабочего колеса, мм
- Dн - номинальный диаметр рабочего колеса, мм
- Pv - полное давление, Па
- Nу - установочная мощность, кВт
- n - частота вращения рабочего колеса, об/мин
- ? - КПД
Характеристики
Габариты упаковки | |
Тип вентилятора | низкого давления |
Диаметр воздуховода | 1000 мм |
Мощность | 5.5 KW |
Частота вращения, об/мин | 750 |
Производительность | 12980 — 29800 м3/ч |
Полное давление | 293 — 712 Па |
Напряжение | 380 B |
Шумоизоляция корпуса | Нет |
Предельно-допустимая темп-ра газовых смесей | 80 °C |
Диапазон температур для эксплуатации | 40 — 40 °C |
Предельная концентрация грязи и пыли | 100 |
D/Dn | 0.95, 1 |
Допустимая вибрация вентилятора | 5 |
Исполнение | 1 |
Материал корпуса | сталь |
Масса | 494 кг |
Страна-производитель | Украина |
Гарантия (мес.) | 12 |
Вентилятор ВЦ 4-75 №10 (5,5/750), исп. №1 отзывы

Покупатели, которые приобрели Вентилятор ВЦ 4-75 №10 (5,5/750), исп. №1, также купили
Схожие товары
Офис и склад в центреМожно сразу оплатить и посмотреть товар в одном месте
Мы профессионалы8 лет опыта позволяют удовлетворить любые потребности покупателя
Гарантия и качествоГарантированный возврат товара в течении 14 дней
On-line оплата на сайтеОплата производится банковскими картамиПопулярные товары
Колено 90° для круглых каналов ВЕНТС d 150 323375 грн./шт.
Редуктор ВЕНТС d100/150 311125 грн./шт.
Амортизатор резино-металлический 50-30 тип 1423 грн./шт.Помощь
+38 044 545-77-31
Отдел продаж
+38 095 402-26-44
Если у вас возникли вопросы при оформлении заказа, обратитесь по указанным контактам.






































































































































































































































