Переход ВЕНТС 200/125
Бренд:
VentsОписание
Переход применяется для комплектации вентиляционных каналов помещений различной направленности, способствуя соединению выходных патрубков широкого диаметра с патрубком диаметра поменьше. Это необходимо для формирования сложных систем вентиляционных каналов спирально-навивной формы, или любых других металлических конструкций. Переход обладает специальными ограничителями, котррые в значительной мере упрощают монтаж воздуховодных каналов.
Преимущества
- Деталь изготавливают из оцинкованной стали. Данный материал не восприимчив к коррозийным образованиям;
- Ограничители помогают состыковке отвода к вентиляционному каналу;
- Повышенный уровень прочности гарантирует продуктивную работу на протяжении длительного времени.
Характеристики
Габариты упаковки | |
Бренд | Vents |
Тип | переход |
Диаметр (мм) | 125 мм |
Подходит | Для круглых каналов |
Толщина стали | 0.5 мм |
Материал корпуса | оцинкованная сталь |
Страна-производитель | Украина |
Переход ВЕНТС 200/125 отзывы

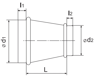
Чертеж
Габаритные размеры Переход ВЕНТС 200/125

Модель |
Размеры, мм | ||||
| d1 | d2 | l1 | l2 | L | |
| Переход ВЕНТС 200/125 | 200 | 125 | 50 | 50 | 133 |
Покупатели, которые приобрели Переход ВЕНТС 200/125, также купили
Схожие товары
Офис и склад в центреМожно сразу оплатить и посмотреть товар в одном месте
Мы профессионалы8 лет опыта позволяют удовлетворить любые потребности покупателя
Гарантия и качествоГарантированный возврат товара в течении 14 дней
On-line оплата на сайтеОплата производится банковскими картамиПопулярные товары
Соединитель с обратным клапаном для круглых каналов ВЕНТС d 100 1111110 грн./шт.
Амортизатор резино-металлический 15-15 тип 1 M0483 грн./шт.
Амортизатор резино-металлический 30-20 тип 1189 грн./шт.Помощь
+38 044 545-77-31
Отдел продаж
+38 095 402-26-44
Если у вас возникли вопросы при оформлении заказа, обратитесь по указанным контактам.






























































































































































































































